中文版
ENGLISH
销售热线: 0086(0)512-56960655
首页
公司介绍
企业动态
产品展示
在线反馈
联系我们
光伏焊带裁切机
光伏焊带成型机
·
光伏焊带L型反折成型机
·
光伏焊带L型折弯成型机
·
光伏焊带三凹折弯成型机
汇流带自动焊接机
小组件自动流水线设备
光伏汇流带焊接设备
光伏焊带镀锡机
光伏焊带复绕机
高温焊钎料机
自动送料器
自动焊锡设备
定制机型
联系方式
地址:广东省深圳市光明新区楼村鲤鱼河工业区红银路65号飞黄达高新科技园1栋2楼
电话:0755-27491292 23400283
传真:0755-27491291
邮箱:sales@eterphe.com
光伏焊带成型机
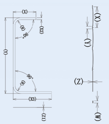
名称:异形成型机(系列)
产品简介:
针对各类光伏组件焊接时所需的预成型焊带的成型加工所设计。该设备系列中涵盖多种现今使用的规格、形状。且支持来图或异形产品的设计,为其量身定制。
详细介绍:
公司简介
企业动态
产品展示
联系方式
Copyright© 深圳市羿驰辉科技有限公司
粤ICP备08124009号
建议使用IE5.0以上版本或Firefox 浏览器浏览本站
苏州羿驰辉科技有限公司
地址是江苏省苏州市张家港市南丰镇建工大道21号
电话:0512-56960655
深圳市羿驰辉科技有限公司
广东省深圳市光明新区楼村鲤鱼河工业区红银路65号飞黄达高新科技园1栋2楼
电话:0755-27491292 23400283
电子邮件:sales@eterphe.com